Case Studie Projekt "Hochhaus Kundratstrasse Wien"
Anlagendetails:
-
Anlage: Notstrom 300kVA
-
Motor: Volvo TAD 941 GE
-
Generator: MeccAlte ECO 38 2LN/4
Besondere Herausforderungen:
-
Äußerst komplizierte Führung der Abgasleitung
-
Komplette Einreichplanung
-
Spezielle Anforderungen der Schalldämmung
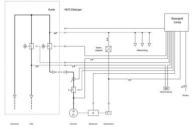
Elektrische Ausführung:
-
Notstromautomatik mit Rücksynchronisierung
-
ComAp IG-NT Steuerung mit CAN J-1939 Anbindung
-
Automatisierte Tagestankbefüllung inkl. Nivauauswertung
-
Automatische Zu- und Abluftklappen - Steuerung
Sonstiges:
-
300lt. Tagestank mit Auffangwanne und Pumpenkombi el. - mechanisch
-
1000lt. Tagestank inkl. externen Betankungskasten mit Überfüllsicherung